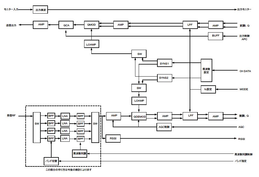
RF IC
CONTENTS
REFERENCES
| 項目 | 機能 | 仕様 |
|---|---|---|
| 動作周波数 | 増幅 | 0-12GHz |
| 周波数変換 | 0-6GHz | |
| 直交変復調 | 0-6GHz | |
| 発振 | 0-12GHz | |
| 切替 | 0-12GHz | |
| ATT | 0-12GHz | |
| 利得可変増幅 | 0-6GHz | |
| 分周器 | 0-12GHz | |
| インバータ | SR 300MHz/v | |
| 動作レベルIP3 | 増幅器 | 20dBm |
| PA部 | 45dBm | |
| 雑音指数 | 増幅 | 1dB |
| 品名 | メーカ | 型番 | 仕様 |
|---|---|---|---|
| QMOD | Analog Devices | AD8346 | RF(800-2500MHz), IQ(70MHz) |
| QDEMO | Analog Devices | AD8347 | RF(800-2700MHz), IQ(65MHz) |
| AMP | Analog Devices | AD8132 | BW(350MHz) |
| AMP | Analog Devices | AD8062 | BW(320MHz) |
| RF choke | mini circuit | ERA-2 | fc(2000MHz), IP3(25.5dBm) |
| PA | Agilent | MGA81563 | Po(+14dBm), f(100-6000MHz) |
| LNA | Agilent | MGA85563 | f(800-6000MHz) |
| SW | Hittite | HMC336 | f(0-6000MHz) |
| LNA | Hittite | HMC286 | f(2300-2500MHz), G(17dB) |
| AGC | JRC | NJG1101F | f(850-2500MHz), Gcont(40dB) |